11年nba选秀状元探花怎么样了1、2011年,NBA选秀探花是埃内斯.凯特。 2、2011年6月24日,2011年NBA选秀大会在新泽西纽瓦克的保存中心球馆举行。在第一轮选秀中,犹他爵士队获得探花签并选中埃内斯.凯特(现效力于波士顿凯尔特
自制作音响的全部工具是什么1 音箱的制作
一、自制作音响的全部工具是什么11、自制作音响的全部工具是什么?2、我认为是自己制作音响的全部工具,应该由。电烙铁。钳子,改锥。3、木锯。木板。4、抱子钉子,胶水,镊子,松香,焊丝。5、工作台。6、扳手。7、电钻。榔头。8、我认为自己做音箱
一、自制作音响的全部工具是什么1
1、自制作音响的全部工具是什么?
2、我认为是自己制作音响的全部工具,应该由。电烙铁。钳子,改锥。
3、木锯。木板。
4、抱子钉子,胶水,镊子,松香,焊丝。
5、工作台。
6、扳手。
7、电钻。榔头。
8、我认为自己做音箱这些个工具是必不可少的。因为我做过音箱,这些个我都很清楚,谢谢您的收看,再见。
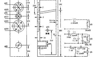
二、5 制作音箱什么板材好
音箱本身应该是尽量避免“震动”才对(需要的震动仅来自扬声器及空气)。
1、过去制作音箱比较讲究材料,据称用桦木比较好(自己动手加工桦木就知道它的好处了)。
2、材料拼接缝、阴角应胶固(过去有建议浇筑沥青的)。
3、一定要锥形脚钉支撑(据称用金属吊坠代替效果不错)。
4、理论上理想的音箱应该是一堵无穷大的隔墙,实际上无法做到,只好后面封闭做成“箱”。而被封闭的部分理论上应该消声(填充吸音材料)。倒相式音箱不要用了(早期解决功率输出、不讲究频率特性时采用的土办法,对频响影响太大)。
5、夸张地讲,混凝土浇筑的音箱比较接近理想效果。以上建议都是看过的资料介绍的,并非我本人编造。资料里讲的非常有道理。
三、自制音箱内部尺寸比例的选择
1、
假定扬声器特性表中建议箱体容积Vb为0.09056立方米。爱好者就能用这个值为实际扬声器单元确定理想的箱体尺寸了。如容积已定,先要把所要求的内部容积的立方米单位转换为立方厘米,然后再求得结果的立方根,就可以得出所要求的高度、宽度、厚度了。正方形箱体(即高度、宽度、厚度相同的箱体)对用于超低音箱是很满意的,因为这种箱体能通过增强内部驻波而提升箱体的总输出。许多市售的超低音箱都是按这种样子设计的。但是,本文的用意并非是用于超低音箱的,而是能覆盖全音频范围的两分频或三分频的音箱。
2、通过实践,许多音箱制造商已经采用了靠经验得到的“黄金”比率或“黄金”分割率,这个比例或比率与根据理想比率0.618而确定的箱体尺寸比有关。
四、怎样自制音响
1、要自制音箱,首先需要准备好所需的材料和工具,包括喇叭单元、音箱箱体、电路板、电线、电容器等。
2、然后根据自己的需求和喜好设计音箱的外观和内部结构,将喇叭单元安装在箱体中,连接电路板和电线,调试音箱的音质和效果。在制作过程中需要注意安全,遵循电路原理和操作规范,以确保音箱的质量和稳定性。自制音箱可以满足个性化需求,也可以提高DIY能力和音响知识。
五、自己做音箱
1、自制音箱是一个涉及电子、木工和声音工程等多方面知识的有趣项目。以下是一个基本的自制音箱的制作步骤:
2、设计音箱:首先,你需要设计音箱的外观和内部结构。音箱的设计应考虑到你想要的声音效果,包括低频、中频和高频的表现。
3、音箱的尺寸和形状也会影响声音的表现。

4、准备材料:你需要准备一些基本的材料,包括木板、胶水、螺丝、音箱布、电子元件(如电阻、电容、电感、扬声器等)等。
5、制作音箱箱体:按照你的设计,使用木板、胶水和螺丝制作出音箱的箱体。注意箱体的密封性和坚固性,这对音箱的声音效果有重要影响。
6、安装扬声器:在箱体的适当位置安装扬声器。扬声器的安装位置和角度也会影响声音的表现。
7、安装电子元件:在箱体内安装电子元件,如功率放大器、电源等。这些元件的选择和安装也会影响音箱的声音效果。
8、调试音箱:安装完所有元件后,进行调试。你可以使用音频发生器或音乐播放器来测试音箱的声音效果,并根据需要进行调整。

9、美化音箱:最后,你可以给音箱加上音箱布或其他装饰材料,使其看起来更美观。
10、自制音箱需要一定的专业知识和经验,如果你是初学者,可能需要花费一些时间来学习和实践。
11、自制音箱的声音效果可能不如专业音箱,因此在制作过程中需要有所取舍。
相关文章
- 详细阅读
-
dnf无限深渊票怎么用 dnf无限模式详细阅读
一、dnf无限深渊票怎么用1、方法/步骤分步阅读2、13、进入游戏4、选择需要领取无限深渊票道具的角色进入游戏。5、26、打开活动7、点击右下角的菜单中的【史诗的诱惑】活动。8、3 9、完成领取10、点击活动界面中的【使其成为当前角色】按钮
-
大型单机角色扮演手机游戏.像阿尔龙剑影一样 单机手游角色扮演排行详细阅读
一、大型单机角色扮演手机游戏.像阿尔龙剑影一样暗影之日 天使之剑 安纳贡世界 狂野之血 都是不错的大型单机角色扮演手机游戏,很好玩,你的品位不错哦,可以到应用宝去下载,哪里都是官方的正版手游,安全无毒,使用方便。二、谁能给我介绍几款好玩的角
-
浙江附近哪个海边可以钓鱼 浙江钓鱼网详细阅读
一、浙江附近哪个海边可以钓鱼浙江可以钓鱼的海边有很多,例如奉化,象山,台州舟山的海边都可以钓。但是海钓最集中也是最好的地方是舟山群岛。那里岛屿众多,鱼类的品种也最丰富。海钓产业也十分成熟。二、江浙沪哪里有水库钓鱼滩坑水库。滩坑水库地址位于浙
-
奥运会2024是哪个国家 下届奥运会2024年几月开始详细阅读
奥运会2024是哪个国家第33届夏季奥林匹克运动会(Games of the XXXIII Olympiad),即2024年巴黎奥运会,是由法国举办的国际性奥林匹克赛事。该届奥运会将于2024年7月26日开幕,8月11日闭幕,部分项目的比赛
-
红色传奇征文教师评语 我的老师是传奇详细阅读
一、红色传奇征文教师评语哥们,你们在写的这篇红色传奇征文的过程中写的是非常好的,我作为教师,我首先向你们表示祝贺,你们这些同学们能够把这个红色传奇征文能够写得这么好,这是你们自己努力的结果,我希望你们继续努力,在今后写作文的过程中写的更好些
-
怎样检查埋地电缆短路点 地埋电缆故障测试仪详细阅读
一、怎样检查埋地电缆短路点检查埋地电缆短路点的方法主要有以下几种:1. 沿线测温法。使用红外线测温仪器测量电缆沿线温度,短路点处温度会明显升高,可初步判断短路段位。但该方法精度较低,不能精确定位短路点。2. π型无源定位法。使用π型电缆故障
-
意大利超级杯奖金 意大利超级杯决赛时间详细阅读
意大利超级杯奖金本届意大利超级杯的初始奖池为625万欧元,同时赞助合同中还包含了强队附加条款,有顶级俱乐部(Top Club)入围决赛将额外增加50万欧元奖金,如果决赛双方均为顶级俱乐部,奖金将额外增加125万欧元。 意大利超级杯决赛时间北
-
FC天使之翼2第一关满级密码 天使之翼2满级密码详细阅读
一、FC天使之翼2第一关满级密码1、I2K3A3K4M2 B4E3B5D3F42、I3F5H3G2H2 G3A2J53、ぎぶうべゆ けぬこつへ ぐほるみり むいぞ 4、あ か さ た な は ま ら が ざ ば ぱ や 5、い き し ち
-
2021年奥运会乒乓球一共几枚金牌 奥运会乒乓球几块金牌详细阅读
一、2021年奥运会乒乓球一共几枚金牌1、2021东京奥运会乒乓球5枚金牌产生时间表:2、首金诞生 7月26日 20:00-22:10 混双铜牌战/金牌战/颁奖仪式 获得者日本组合水谷隼/伊藤美诚3、第2金诞生 7月29日 20:00-22
-
deepnude官网怎么进 deepnode处理过的图片详细阅读
一、deepnude官网怎么进DeepNude官网已经关闭,不再提供下载和支持。请注意,使用DeepNude软件可能会侵犯他人隐私并违反道德和法律规定。因此,我们强烈建议您不要使用该软件或类似的工具。二、deepnude为什么显示网络错误1
